
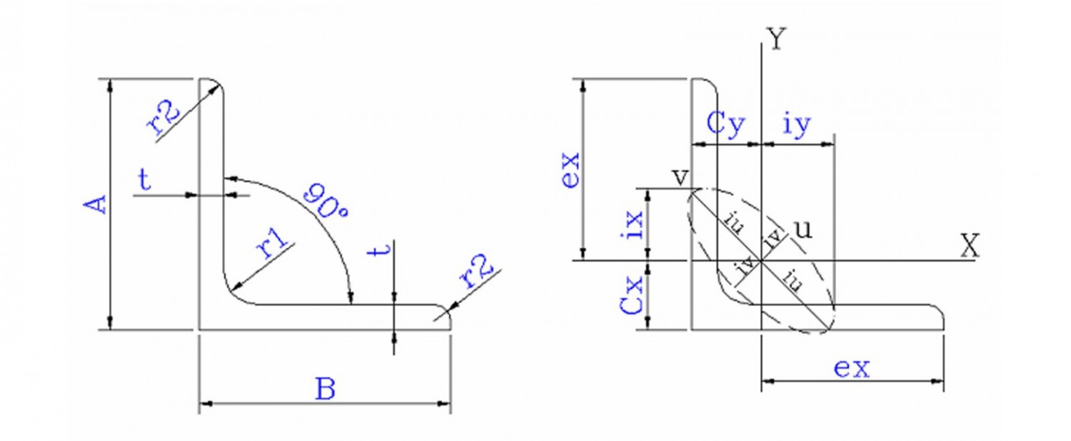
| Kích thước chuẩn (mm) | Độ dày | Đơn trọng (kg/m) | Kích thước chuẩn (mm) | Độ dày | Đơn trọng (kg/m) | |
| AxB | t | W | AxB | t | W | |
| Thép hình V25x25x3 | 3 | 1.12 | Thép hình V100x100 | 7 | 10.7 | |
| Thép hình V30x30x3 | 3 | 1.36 | Thép hình V100x100 | 8 | 12.1 | |
| Thép hình V40x40x5 | 5 | 2.95 | Thép hình V100x100 | 9 | 13.5 | |
| Thép hình V100x100 | 10 | 14.9 | ||||
| Thép hình V45x45x4 | 4 | 2.74 | Thép hình V100x100 | 12 | 17.7 | |
| Thép hình V45x45x5 | 5 | 3.38 | Thép hình V100x100 | 13 | 19.1 | |
| Thép hình V50x50x4 | 4 | 3.06 | Thép hình V120x120 | 8 | 14.7 | |
| Thép hình V50x50x5 | 5 | 3.77 | Thép hình V120x120 | 10 | 18.2 | |
| Thép hình V50x50x6 | 6 | 4.43 | Thép hình V120x120 | 12 | 21.6 | |
| Thép hình V120x120 | 15 | 26.7 | ||||
| Thép hình V60x60x4 | 4 | 3.68 | Thép hình V120x120 | 18 | 31.5 | |
| Thép hình V60x60x5 | 5 | 4.55 | ||||
| Thép hình V60x60x6 | 6 | 5.37 | Thép hình V130x130 | 9 | 17.9 | |
| Thép hình V130x130 | 10 | 19.7 | ||||
| Thép hình V65x65 | 5 | 5 | Thép hình V130x130 | 12 | 23.4 | |
| Thép hình V65x65 | 6 | 5.91 | Thép hình V130x130 | 15 | 28.8 | |
| Thép hình V65x65 | 8 | 7.66 | ||||
| Thép hình V150x150 | 10 | 22.9 | ||||
| Thép hình V70x70 | 5 | 5.37 | Thép hình V150x150 | 12 | 27.3 | |
| Thép hình V70x70 | 6 | 6.38 | Thép hình V150x150 | 15 | 33.6 | |
| Thép hình V70x70 | 7 | 7.38 | Thép hình V150x150 | 18 | 39.8 | |
| Thép hình V150x150 | 19 | 41.9 | ||||
| Thép hình V75x75 | 6 | 6.85 | Thép hình V150x150 | 20 | 44 | |
| Thép hình V75x75 | 9 | 9.96 | ||||
| Thép hình V75x75 | 12 | 13 | Thép hình V175x175 | 12 | 31.8 | |
| Thép hình V175x175 | 15 | 39.4 | ||||
| Thép hình V80x80 | 6 | 7.32 | Thép hình V200x200 | 15 | 45.3 | |
| Thép hình V80x80 | 7 | 8.48 | ||||
| Thép hình V80x80 | 8 | 9.61 | Thép hình V200x200 | 16 | 48.2 | |
| Thép hình V200x200 | 18 | 54 | ||||
| Thép hình V200x200 | 20 | 59.7 | ||||
| Thép hình V90x90 | 6 | 8.28 | Thép hình V200x200 | 24 | 70.8 | |
| Thép hình V90x90 | 7 | 9.59 | Thép hình V200x200 | 25 | 73.6 | |
| Thép hình V90x90 | 8 | 10.8 | Thép hình V200x200 | 26 | 76.3 | |
| Thép hình V90x90 | 9 | 12.1 | ||||
| Thép hình V90x90 | 10 | 13.3 | Thép hình V250x250 | 25 | 93.7 | |
| Thép hình V90x90 | 13 | 17 | Thép hình V250x250 | 35 | 128 |
Tác giả bài viết: Thép Thuận Thiên
Những tin mới hơn
Những tin cũ hơn